Electro érosion par découpage à fil
Comment fonctionnons-nous ?
Grace à nos machines à commande numérique CNC de hautes performances, nous pouvons vous garantir des découpes de grande précision et répétitivité pour vos pièces unitaires ou pour vos séries.
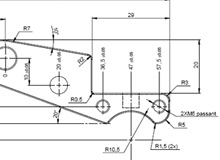
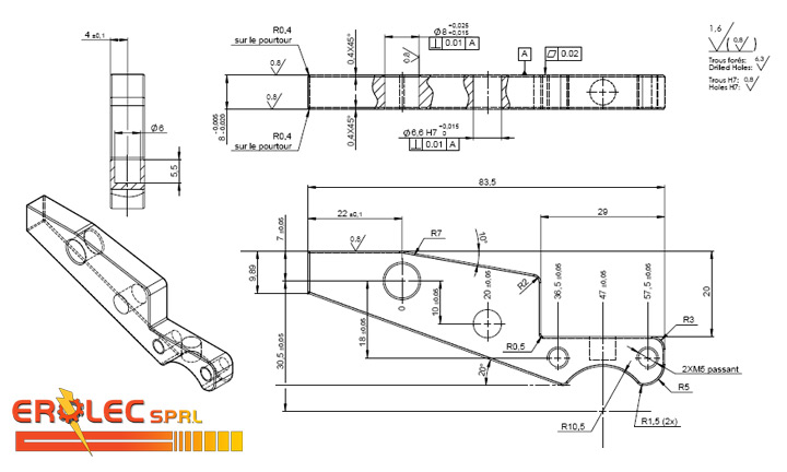
Tout commence sur base d'un plan papier ou d'un plan numérique de la pièce
Nous créons ou récupérons le plan sur un logiciel d'assistance à la programmation
Nous élaborons un programme ISO utilisable par la machine d'usinage.
Nous récupérons le programme ISO sur la machine de découpage par électroérosion pour l'usinage.
texte ?
Erolec opte pour l'utilisation d'un usinage par fil pour diverses raisons :
- Des découpes fines grâce au diamètre du fil (outil) : Ø0,1 à 0,3mm.
- Usinage de formes complexes en 4 axes.
- Des découpes de très grandes précisions : Tolérances possibles : ±5µm
- Des excellents états de surface : Ra : 0,2µm
- Une grande régularité et répétitivité par l'absence d'usure du fil qui est continuellement renouvelé pendant l'usinage (bobine en rotation)
- Découpe de fines parois, de part l'absence de contrainte et d'effort mécanique.
- Des découpes dans tous matériaux conducteurs et semi conducteurs de l'électricité indépendamment de leurs dureté comme : Aciers trempés, Cuivre et ses alliages, Aluminium et ses alliages, Nickel, Inox, Titane, Carbures de tungstène, Diamant polycristallins, PCD, graphite, …..etc.
- Des usinages à moindres coûts sur des pièces réalisées par des moyens conventionnels en évitant des étapes intermédiaires de fabrication comme la possibilité d'usiner des aciers trempés.
- Des découpes pouvant être réalisées en paquets. Plusieurs pièces réalisées en une seule découpe.
- Bridages légers dû à l'absence d'efforts mécaniques durant l'usinage.
Haut de page